AUTOCAD BASİT ÇİZİM ÖRNEKLERİ
AutoCAD programı, en basit düzeyden en karmaşık düzeye kadar iki veya üç boyutlu çizimlerin yapılabildiği bir bilgisayar destekli tasarım programıdır. AutoCAD programını etkili bir şekilde kullanmak isteyen kullanıcılar, program üzerinde sürekli pratik yaparak programı kullanma üzerindeki bireysel tekniklerini geliştirebilirler. Programı daha pratik ve kolay kullanmak isteyen kullanıcılar ayrıca AutoCAD programı kullanılarak yapılan basit çizim örnekleri ile çizim konusunda tekniklerini geliştirmeyi deneyebilirler.
Örnek AutoCAD çizimleri , kullanıcıların AutoCAD programında yaptığı çizimler sırasında uygulayabilecekleri pratik ve kolay teknikleri keşfetmelerine yardımcı olur. AutoCAD programını kullanmaya yeni başlayacak kullanıcılar da basit AutoCAD çizim örnekleri sayesinde programın temel terminolojisi ve kullanımı hakkında ön bilgiye sahip olabilirler.
Basit Örnek AutoCAD Çizimi
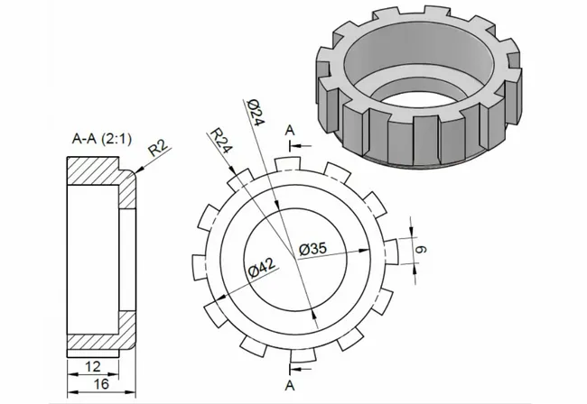
Örnek olarak aşağıdaki görselde boyutları ve teknik resmi görülen içi boş dişlinin üç boyutlu olarak AutoCAD programında çizimi aşağıdaki gibi yapılabilir. Basit bir örnek olması açısından üç boyutlu tasarım dişler yapılmadan bırakılacaktır.

İki boyutlu ve üç boyutlu çizim için özelleşmiş komutları bulunan AutoCAD programında çizilmek parça üç boyutlu olduğundanüç boyutlu modelleme çalışma alanı aktifleştirilmelidir. AutoCAD programının en üst kısmında bulunan kutucuktan amaca yönelik çizim seçeneği seçilebilir. Varsayılan olarak Drafting & Annotation olarak olan bu kutucuğun üzerine tıklanarak Basit Modeling seçilerek Basit modelleme için kullanılacak komutlar aktifleştirilir.

Üç boyutlu modelleme seçeneği aktifleşen programın sağ alt kısmında bulunan yeşil renkte Y ve kırmızı renkte X yazan çizgilerin birleştiği nokta programın orijin noktasıdır. Bu noktada tüm noktalar sıfır değerini alır. Draw menüsünden Circle komutu seçilerek bir çember çizimi yapılır. Bu komut aktifken merkezi orijin noktasında bulunan yarıçapı 21 birim olan bir çember çizilir. Ardından aynı merkez noktasına sahip çapı 35 birim olan ikinci bir çember daha çizilir. Son olarak çapı 24 birim olan üçüncü bir çember daha çizilerek üç adet iç içe çember elde edilir.

Üç adet iç içe çember elde edildikten sonra Modeling araç çubuğunda bulunan Extrude komutu seçilerek en dışta kalan çembere bir defa tıklanarak Enter tuşuna basılır. Ardından komut satırına “-16” yazılarak yeniden Enter tuşuna basılarak komut onaylanır. Oluşan katı modelin içi dolu bir görünümünün elde edilmesi istenirse Visual Style Control kısmında varsayılan olarak Wireframe olarak seçilmiş olan kısımdan Shaded seçeneği seçilerek katı modelin içi dolu görünmesi sağlanabilir.

İçi dolu bir silindir elde edildikten sonra Modeling araç çubuğunda bulunan Presspull komutu seçilerek en içte bulunan çemberin içine tıklanır ve “-20” değeri girilir. “-16” değerinden daha düşük olan bu değer silindirin içinintamamen boşaltılmasını sağlayacaktır. Bir sonraki adımda da yeniden Presspull komutu aktifleştirilerek ortadaki çemberin içi seçilir ve bu defa “-12” birim değeri girilerek basit çizim örneğinin büyük bölümü tamamlanır.

Free orbit komutu seçilerek çizimi devam eden üç boyutlu model serbest olarak çevrilerek alt düzleminde bulunan dış dairenin köşelerine tıklanır.Solid Editing menüsünde bulunan Fillet komutu içinde Radius seçeneği seçilerek2 birimlik değer girilir ve komut tamamlanır. 2 birimlik Fillet değeri modelin dış köşelerinin iki birimlik yarıçapta yuvarlanması anlamına gelmektedir. Böylece üç boyutlu örnek bir AutoCAD çizimi tamamlanmış olur.

AutoCAD Eğitimi
AutoCAD programında daha ileri çizimler yapmak isteyen kullanıcılar için verilen AutoCAD dersleri ile profesyonel çizimler hazırlanabilir.AutoCAD eğitimi, ileri düzeydeki kullanıcılar kadar başlangıç düzeyindeki ve hatta AutoCAD programını daha önce hiç kullanmamış kullanıcıları bile üst seviyede çizimler yapabilir hale getirir. AutoCAD dersi kapsamında kullanıcılar ve profesyonel eğitmenlerin etkileşimli olarak yaptıkları çizim örnekleri ile kullanıcıların öğrenme becerileri maksimum seviyede tutulurken, öğrenilenlerin akılda kalıcı olması da sağlanır.